Mank Omenk | Buat Lencana Anda

Mencari penyebab raster satu garis atau vertikal tidak kerja merupakan hal yang gampang-gampang susah. Maksudnya secara umum gampang, tetapi kadang dijumpai ada yang sulit.
Macam-macam kerusakan yang dapat meyebabkan problem raster satu garis.
Kerusakan def yoke
Cara memastikan apakah bagian vertikal-out sudah bekerja
Secara keseluruhan apakah bagian IC Vertikal-out sudah bekerja atau belum, biasanya kami lakukan hal seperti ini.
IC seperti tipe TA8445, LA7837(38), TDA1770/1, TDA8174, TDA8176 merupakan ic vertikal-out yang agak spesial, antara lain karena :
Cara menguji apakah ic vertikal out berfungsi normal :
Memperbaiki kerusakan bagian vertikal gampang-gampang susah. Umumnya sih memang gampang. tetapi kadang memang dijumpai ada yang susah. Agar lebih mudah maka pahami dahulu cara kerjanya.
Sirkit defleksi vertikal dapat dibagi menjadi 3 bagian :
1. Bagian vertikal-out
2. Bagian vertikal feed-back atau umpan balik.
3. Bagian vertikal osilator yang lokasinya pada ic jungel (lihat skema dibawah)
1. Menjumpai kerusakan vertikal satu garis, maka langkah yang perlu dilakukan adalah :
2. Cara memeriksa apakah bagian vertikal-out amplifier sudah kerja.
3. Bagian vertikal-out tidak kerja
4. Tegangan vertikal feed-back tidak ada
5. Vertikal osilator tpada ic jungel tidak kerja, dapat disebabkan karena
6. Vertikal tidak penuh atas-bawah – dapat disebabkan antara lain.
7. Vertikal tidak linear atau melipat pada bagian bawah – dapat disebabkan karena :
8. Vertikal tidak linear atau tidak penuh pada bagian atas.
9. Tentang tegangan pump-up
Mungkin Anda menjumpai kasus seperti berikut
Tidak penuh atas bawah
CATATAN :
MOBYDICK memberikan tanggapan mengenai postingan kami tentang “Problem kontras kontrol pada TA8690 dapat menyebabkan vertikal satu garis”
“Salam ziarah mas, Gimana kalau tv Panasonic yang memakai ic AN5606K, rusaknya kadang2 jadi vertikal kadang2 ok,apa ada kena-mengena dengan kontras? “
Waktu itu kami beri jawaban bahwa AN5606 kontrol kontras sudah tidak menggunakan sistim analog lagi seperti seperti TA8690, tetapi sudah menggunakan kontrol lewat data SDA/SCL – jadi kasusnya tentu berbeda
Baru-baru ini - Ketika sedang membuka-buka catatan, dimana catatan selalu kami buat jika menjumpai kerusakan-kerusakan yang menurut kami kelihatan sediki ganjil. Maka disitu ternyata ada catatan yang ada hubungannya seperti yang ditanyakan MOBYDICK.
Jika raster terlalu terang pada Panasonic yang menggunakan AN5606 - ternyata dari pengalaman yang pernah kami jumpai dapat menyebabkan “vertikal problem satu garis” dan kadang dilanjutkan dengan mati protek. Tercacat penyebabnya adalah resistor ABL R525 ke B+ bermasalah.
Masih sering terima repair teve yang menggunakan TA8690? Mungkin pengalaman kami ini ada manfaatnya.
Suatu ketika setelah selesai merepair teve model lama yang menggunakan ic TA8690, maka iseng-iseng kami mainkan ajustment pada kontrol britnes, color dan kontras. Seting-an lama kontrol kontras kami lihat pada maksimum 100. Ketika seting-an coba kami turunkan - tiba-tiba mendadak raster jadi satu garis horisontal (problem vertikal)
Cilaka!!! .....ada masalah apa lagi teve ini ? Apa mungkin kebetulan tiba-tiba TA8690 mendadak rusak bagian vertikalnya.
Dan hasilnya adalah cukup mengejutkan.
Kesimpulan :
Pada TA8690 jika tegangan pada pin-39 kontras-kontrol drops pada level tertentu atau tidak ada sama sekali – maka dapat menyebabkan bagian vertikal tidak fungsi. Pengalaman kami ini sudah pernah kami uji coba pada teve lain yang masih bagus – yaitu dengan men-short ke ground pin kontras kontrol – ternyata hasilnya sama, yaitu vertikal jadi satu garis
Memahami cara kerja dan Melacak kerusakan defleksi vertikal
Revisi 00 – Juli 2010
Dokumen ini kami susun dari berbagai sumber dan dari hasil pengalaman kerja pribadi sebagai bengkel service, trainer kursus service radio-tv dan pengalaman bekerja pada sebuah perusahaan elektronik yang pernah mempunyai kerja sama dengan perusahaan Jepang, Korea dan China sebagai manager service station, sebagai manager teknik departemen customer service pusat dalam mengelola dan menyediakan (sumber daya manusia) teknisi. Didedikasikan untuk para teknisi televisi maupun mereka yang lagi belajar. Tujuannya adalah agar dapat berbagi pengetahuan dan pengalaman dalam teknik reparasi TV.
Daftar isi :
Memahami cara kerja bagian defleksi vertikal
Melacak kerusakan bagian defleksi vertikal
1 Memahami cara kerja bagian Defleksi Vertikal
1.01 Bagian defleksi vertikal berfungsi untuk menyediakan arus gigi gergaji ke kumparan defleksi vertikal agar garis-garis horisontal yang dihasilkan oleh defleksi horisontal melakukan penyapuan mulai dari bagian atas layar dan bergerak kearah bagian bawah layar. Penyapuan secara vertikal sistim PAL mempunyai frekwensi 50 Hz dan sistim NTSC 60 Hz. Sirkit defleksi vertikal ada beberapa variasai, ini berbeda dengan sirkit defleksi horisontal yang pada semua televisi hampir sama.
Secara garis besar bagian defleksi vertikal terdiri dari :
1.02 Vertikal Countdown sebagai osilator vertikal. Vertikal count-down mendapat input dari frekwensi horisontal count-down dan membaginya sehingga diperoleh frekwensi vertikal.
Pada bagian ini terdapat sirkit yang dinamakan "vertikal window-counter" yang berfungsi untuk mengatur secara otomatis besarnya frekwensi vertikal. Tanpa ada sinyal video input, osilator vertikal berosilasi pada frekwensi bebas sekitar 45 hingga 55Hz. Jika kemudian pesawat menerima sinyal video sistim PAL, vertikal window-counter akan mengunci osilator vertikal pada frekwensi 50Hz. Dan jika menerima sinyal video sistim NTSC akan otomatis mengunci frekwensi vertikal menjadi 60Hz
Jika karena sesuatu kerusakan sehingga frekwensi tidak dapat terkunci, maka akan meyebabkan :
1.03 Ramp-generator – Pulsa vertikal dari osilator masih berbentuk kotak, ramp-generator berfungsi untuk mengubah bentuk sinyal kotak menjadi bentuk gigi gergaji. Bentuk sinyal gigi gergaji ditentukan oleh nilai filter resistor-kapasitor yang terdapat pada bagian ini.
Sirkit vertikal count-down dan sirkit ramp-generator umumnya ada didalam IC jungel. Tetapi ada sirkit tertentu dimana ramp generator ada didalam IC vertikal-out, misal pesawat yang menggunakan TA8690 dan TA8445.
1.04 Penguat Vertikal Drive - berfungsi untuk memperkuat sinyal vertikal sebelum diumpankan ke bagian penguat vertikal-output. sikit umumnya menadi satu dengan penguat power vertikal out.
1.05 Penguat power Vertikal- Out - Sinyal vertikal gigi gergaji diperkuat oleh bagian ini agar mampu menyediakan power arus gigi gergaji ke kumparan defleksi vertikal. Prinsisp kerja penguat vertikal-out tidak berbeda jauh dengan penguat power-audio
1.06 Pump Up (flyback generator) - Sinar elektron melakukan penyapuan secara vertikal dari bagian atas layar ke bagian bawah. Untuk melakukan penyapuan ulang selanjutnya maka sinar elektron harus kembali dengan cara yang cepat ke bagian atas layer. Untuk melakukan hal ini diperlukan pulsa yang lebih kuat tetapi hanya sesaat saja yang dinamakan pulsa vertikal-retrace, dimana untuk membentuk pulsa ini dibutuhkan tegangan suply yang lebih tinggi pada bagian penguat vertikal-out.
Saat melakukan penyapuan-vertikal dari bagian atas layar ke bagian bawah layar sirkit vertikal-out umumnya membutuhkan tegangan suply sekitar 25v. Dan pada saat vertikal-retrace atau kembali dari bagian bawah ke bagian atas layar dengan cepat membutuhkan tegangan suply yang lebih besar yaitu sekitar 50v. Sirkit vertikal pump-up ada didalam IC vertikal-out dan berfungsi untuk menghasilkan tegangan tinggi sesaat pada saat vertikal-retrace dan membutuhkan komponen eksternal yang terdiri dari sebuah diode dan sebuah elko.
Sirkit vertikal-drive, pump-up dan penguat vertikal-out umumnya menjadi satu kemasan dalam IC vertikal-out.
Ada beberapa jenis IC vertikal-out yang tidak menggunakan sirkit pump-up. Sebagai penggantinya bagian vertikal-out membutuhkan 2 macam suply Vcc, yaitu suply tegangan rendah dan suply tegangan tinggi.
1.07 Umpan balik (feedback) - Pengaruh panas menyebakan karakteristik komponen sedikit berubah. Oleh karena itu untuk memperoleh bentuk gigi gergaji yang linear dan stabil digunakan sirkit umpan-balik dari keluaran vertikal-out ke bagian ramp-generator.
Ada 2 macam jalur sirkit umpan balik, yaitu
1.08 Kumparan defleksi vertikal - Berbeda dengan kumparan defleksi horisontal, kumparan defleksi vertikal digulung pada sebuah intiferit. Terdiri dari 2 buah kumparan yang dipasang pada kiri kanan leher tabung gambar dan umumnya disambung secara parallel.
1.09 Macam-macam konfigurasi IC vertikal out.

2. Melacak kerusakan bagian defeleksi vertikal
2.01 Raster satu garis
Disebabkan bagian defleksi vertikal tidak kerja.Kerusakan dapat disebabkan karena
2.02 Memeriksa apakah bagian IC Vertikal-out apakah sudah bekerja.
IC vertikal out kerjanya dapat diperiksa dengan cara :
2.03 Kerusakan yang dapat menyebabkan IC vertikal-out tidak bekerja :
2.04 Cara memeriksa umpan balik dc
Jika jalur umpan balik dc putus maka akan menyebabkan ramp generator tidak mendapat tegangan umpan balik dc (tidak ada tegangan pada pin ramp generator)
Umpan balik tegangan dc. dapat dilacak mulai dari pin-output IC vertikal-out >>> kumparan defleksi vertikal >>> melalui beberapa resistor >>> diumpankan balik ke bagian ramp-generator (pin-VNF = vertical negatif feedback)
2.05 Kerusakan pada IC jungel yang dapat meyebabkan vertikal tidak kerja.
2.06 Raster tidak penuh atas bawah
Kemungkinan dapat disebabkan antara lain karena :
2.07 Pada bagian atas layar ada gangguan beberapa garis blangking putih
Problem nampak jelas jika terima gambar kontras. Disebabkan pulsa vetikal blangking levelnya kurang.
Problem disebabkan karena salah part pada sirkit Pump Up rusak seperti elko kering atau diode bocor.
Untuk IC vertikal dengan 2 suply tegangan tinggi dan rendah. Cek tegangan untuk tegangan yang tinggi. Mungkin tidak ada tegangan atau tegangan drops karena elko filter kering.
2.08 Gambar vertikal tidak linear atau melipat.
Problem dapat disebabkan antara lain karena ;
2.09 Gambar bergetar secara vertikal naik-turun.
2.10 Gambar rolling
Kemungkinan dapat disebabkan karena :
2.11 Cara memeriksa kerusakan def yoke bagian vertikal.
2.12 Raster hidup normal, dibagian tengah ada garis putih horisontal
Kami pernah menemukan problem semacam ini, dan disebabkan karena tegangan B+ drops yang menyebabkan bentuk arus gigi gergaji tidak linear.
2.13 Macam-macam adjustmen vertikal

Macam-macam penyebab vertikal satu garis (vertikal tidak kerja)
Mencari penyebab raster satu garis atau vertikal tidak kerja merupakan hal yang gampang-gampang susah. Maksudnya secara umum gampang, tetapi kadang dijumpai ada yang sulit.
Macam-macam kerusakan yang dapat meyebabkan problem raster satu garis.
- Kerusakan def yoke
- Kerusakan konektor def yoke
- Kerusakan pada bagian ic vertikal-out
- Kerusakan pada jalur sirkit DC Feedback
- Kerusakan pada bagian IC Jungle (Vertikal osilator)
- Raster terlalu terang
Kerusakan def yoke
- Disebabkan karena salah satu kumparan vertikal gulungan ada yag short. Kumparan def yoke umumnya kalau diukur mempunyai nilai resistansi diatas 5 ohm. Jika diukur nilai nol, maka hal ini menunjukkan ada bagian yang short.
- Kerusakan disebabkan antara bagian Vertikal-out dengan def yoke tidak nyambung.
- Dapat disebabkan karena masalah soldering atau kabel konektor putus
- Solderan-solderan ada yang retak. Masalah ini paling sering dijumpai.
- Tidak ada tegangan suply Vcc . Ada ic yang hanya membutuhkan suply Vcc tunggal, tetapi ada pula yang membutuhkan double Vcc
- IC vertikal out rusak. Jika pada pin-vertikal out diukur tidak ada tegangan, hal ini umumnya menunjukkan bahwa ic rusak .
- Kerusakan diode Pump-up. Diode ini kadang kalu diukur dengan ohm meter tidak menunjukkan kerusakan, coba ganti saja.
- Elko kopel ouput pada kumparan def yoke kering (biasnya mempunyai nilai 1000u/35v)
- Resistor nilai kecil yang serial dengan elko kopel output putus (biasanya mempunyai nilai kurang dari 3 ohm)
- Pin-VNF (vertikal negatif feedback) pada IC Jungle harus mendapat tegangan dc dari kumparan def yoke melalui beberapa resistor.
- Jika jalur ini putus karena solderan atau resistor rusak maka akan menyebabkan pulsa vertikal drive hilang.
- Kerusakan ditandai dengan tidak adanya tegangan pada pin- Vout ic Jungle (tidak ada pulsa vertikal drive)
- IC Jungle tidak mendapat tegangan suply Vcc. Tegangan umumnya diperoleh dari sekunder flyback
- Kapasitor pada pin-V SAW short, solderan lepas atau rusak nilai mengecil (kalau menggunakan elko - kering)
- Resistor pada pin-V SAW nilai molor atau putus
- IC jungle rusak pada bagian osilator vertikal
- Ada beberapa tipe ic Jungle, jika raster terlalu terang menyebabkan pulsa vertikal drive hilang.
- Kecilkan kontrol VR screen
- Kerusakan mungkin disebabkan karena RGB video driver pada CRT soket tidak mendapatkan suply tegangan 180v
- Problem pada sirkit ABL
|
Cara memastikan apakah bagian vertikal-out sudah bekerja
Secara keseluruhan apakah bagian IC Vertikal-out sudah bekerja atau belum, biasanya kami lakukan hal seperti ini.
- Siapkan ohm meter pada posisi 1x
- Probe merah tempelkan ke ground
- Sentuh-sentuhkan probe hitam pada pin-V in ic Vertikal-out sambil mengamati layar
- Jika garis bergerak-gerak naik turun, berarti bagian vertikal out OK.
- Jika ada kerusakan, maka garis akan diam saja atau gerakan naik-turun hanya sedikit.
STV9380-9381 IC Vertikal yang efisien
- STV9380 dan STV9381 adalah merupakan ic vertikal-out yang sangat efisien, sehingga tidak memerlukan pendingin (heat-sink) seperti ic vertikal pada umumnya
- Sirkit ini cara kerjanya sama hampir seperti ic vertikal lainnya, kecuali pada bagian penguat achirnya saja.
- Bagian penguat achir bekerja pada klas D (ini berbeda pada ic vertikal umumnya yang bekerja pada klas AB)
- Sinyal vertikal input oleh bagian “MODULATOR” dirubah bentuknya terlebih dahulu menjadi bentuk “pulsa-pulsa kotak” sebelum diperkuat oleh bagian transistor achir.
- Disini transistor “penguat achir” bekerja sebagai layaknya “transistor switching”
- Output hasil penguatan yang masih berupa pulsa-pulsa kotak kemudian dikembalikan menjadi bentuk seperti sinyal vertikal biasa menggunakan sebuah LC fillter (kapasitor dan coil filter)
- IC Memerlukan tegangan suply (+)16v dan (-)16v
- STV9380 mampu menghasilkan pulsa vertikal 2.5 APP (Ampere pek to peak)
- Dan STV9381 3 APP.
Trobelshuting bagian vertikal
IC seperti tipe TA8445, LA7837(38), TDA1770/1, TDA8174, TDA8176 merupakan ic vertikal-out yang agak spesial, antara lain karena :
- Ramp generator - kalau pada tipe seperti yang dijelaskan pada tulisan kami sebelumnya menjadi satu dengan ic jungle, maka disini ramp generator menjadi satu dengan ic vertikal-out
- Feedback ac/dc langsung diumpankan ke ic ini sendiri
- Sinyal input bukan merupakan sinyal gigi-gergaji, tetapi merupakan pulsa-pulsa triger dengan frekwensi vertikal (50/60Hz)
Cara menguji apakah ic vertikal out berfungsi normal :
- Open solderan pada pin-input
- Sentuh-sentuh input dengan probe avo-meter – raster (vertikal) akan membuka setiap kali pin input disentuh
- Tidak ada tegangan suply Vcc (high) dan Vcc (low)
- Jalur umpan balik tegangan dc dari bagian Vertikal-output ke pin Vertikal-drive putus
- Kapasitor pada pin ramp-generator short atau open (nilai kering)
- Jika pin input disentuh-sentuh raster sudah bisa membuka – berarti kerusakan pada ic jungle.
Trobelshuting bagian vertikal (part.1)
Memperbaiki kerusakan bagian vertikal gampang-gampang susah. Umumnya sih memang gampang. tetapi kadang memang dijumpai ada yang susah. Agar lebih mudah maka pahami dahulu cara kerjanya.
Sirkit defleksi vertikal dapat dibagi menjadi 3 bagian :
- Vertikal-out amplifier - umumnya menggunakan sebuah ic
- Vertikal feedback (umpan balik)
- Vertikal osilator - merupakan bagian dari ic jungel
1. Bagian vertikal-out
- Lihat contoh skema dibawah
- Sirkit demikian dinamakan ac-kopel
- Tegangan suply Vcc diberikan pada pin-6. Umumnya mendapat tegangan suply Vcc sekitar 25v.
- Sinyal berbentuk gigi gergaji di-inputkan pada pin-4 - yang dihubungkan secara langsung (dc kopel) dari ic jungel.
- Sinyal output dikeluarkan dari pin-2 - dan dihubungkan secara langsung ke kumparan def yoke
- Jalur sinyal output adalah pin-2 >>> Def Yoke >>> C311 >>> R303
- Pin-2 pada kondisi normal umumnya mempunyai tegangan dc sekitar setengah tegangan Vcc
- C311 2200u/35v berfungsi seperti halnya kapasitor kopel pada audio-amplifier. Yaitu untuk memblokir agar tegangan dc pada pin-2 tidak short ke ground. Tetapi dapat melewatkan pulsa-pulsa vertikal yang bersifat sebagai ac
- R310 yang diseri dengan C310 merupakan sirkit untuk mencegah agar bagian vertikal out tidak berosilasi. Sirkit seperti ini juga dapat diketemukan pada sirkit Audio amplifier. Kalau sampai terjadi osilasi akan meyebabkan ic sangat panas.
- Pada saat “vertikal retrace” – yaitu saat scanning vertikal dari sampai pada bagian bawah layar dan kemudian kembali ke bagian atas – dibutuhkan waktu kembali yang sangat cepat. Untuk itu pada saat retrace bagian vertikal-out membutuhkan suply “yang hanya sesaat itu” tegangan suply yang lebih besar (2x Vcc)
- Tegangan suply untuk saat vertikal-retrace ini disediakan oleh bagian sirkit PUMP-UP atau kadang dinamakan FLYBACK-GENERATOR yang biasanya sekitar (2 x 25v)
- Sirkit Pump-up membutuhkan komponen eksternal yang terdiri dari sebuah Diode D302 dan sebuah elko C307.
- Pin-7 mengeluarkan pulsa-pulsa vertikal dan biasanya digunakan untuk mensuply pulsa vertikal (V sync) ke ic mikrokontrol untuk OSD
- Pada teve tertentu sinyal pulsa-pulsa dari pin-7 kadang juga digunakan sebagai “sampling” sensor untuk protek. Jika bagian vertikal tidak kerja maka akan menyebabkan teve mati protek.
2. Bagian vertikal feed-back atau umpan balik.
- Feed-back atau umpan balik diberikan dari vertikal-out – ke bagian dari vertikal osilator (ramp generator)
- Berfungsi untuk mengatur “linearitas” bagian penguat defeleksi vertikal.
- Ada 2 macam jalur feed-back – yaitu (1) dc feed-back dan (2) ac feed-back
- Jalur dc feed-back adalah dari tegangan dc dari pin-2 >>> Def Yoke >>> R306 >>> R313 >>> ic jungel. Dinamakan demikian karena umpan balik merupakan tegangan dc dari vertikal-out ke ramp generator.
- Jalur ac feed-back adalah dari pin-2 >>> Def Yoke >>> C311 2200u/35v >>> R305 >>> ic jungel. Dinamakan demikian karena merupakan umpan balik berupa sinyal ac yang telah melewati elko C311.
3. Bagian vertikal osilator yang lokasinya pada ic jungel (lihat skema dibawah)
- Frekwensi vertikal diperoleh dari frekwensi horisontal
- Menggunakan sirkit yang dinamakan Vertikal Count-Down atau pembagi vertikal, maka frekwensi horisontal yang tinggi dibagi-bagi sehingga memperoleh frekwensi vertikal yang rendah.
- Frekwensi vertikal yang dihasilkan dari V Count-down tidak tepat 50hz (PAL) ataupun 60Hz (NTSC)
- Oleh sinyal sinkronisasi yang diperoleh dari sirkit Sync Separator- maka frekwensi vertikal akan dibuat agar sinkron sesuai dengan sinyal yang diterima. Jika yang diterima sinyal PAL maka frekwensi vertikal akan sinkron pada frekwensi 50Hz. Jika yang diterima sinyal NTSC maka frekwensi vertikal akan sinkron pada 60Hz. Jadi secara otomatis besarnya frekwensi vertikal akan mengikuti sistim sinyal video yang diterima.
- Output dari sirkit V Count-down bentuknya masih berupa sinyal kotak. Sirkit Ramp-Generator berfungsi untuk merubah sinyal kotak menjadi sinyal yang berbentuk gigi-gergaji. Ramp generator membutuhkan komponen eksternal, yaitu sebuah kapasitor C316 untuk pembentuk sinyal gigi-geraji. Kadang pada bagian ini juga terdapat sebuah resistor dengan nilai ratusan kilo atau mega.
- Pin-23 V NFB (vertkal negatif feedback) mendapat tegangan dc feed-back dari bagian Vertikal-out
- Tidak ada tegangan dc feed-back, maka akan menyebabkan pin-24 tidak akan mengeluarkan sinyal ouput (tidak ada tegangan output)
TROBELSHUTING
- Periksa apakah bagian vertikan-out amplifier telah bekerja - baca. item-2 dibawah.
- Periksa apakah ada tegangan umpan balik (vertikal feed-back) pada ic jungel pin-23 (V NFB, vertikal negatip feedback) – baca item-4 dibawah.
- Jika keduanya diatas OK – berarti problem pada ic jungel –baca item-5 dibawah.
- Pada teve model lama – periksa switch Normal-Service. Mungkin pada posisi Service
- Kerusakan diode pump-up (open atau putus) juga dapat menyebabkan vertikal satu garis
2. Cara memeriksa apakah bagian vertikal-out amplifier sudah kerja.
- Open atau sedot solderan pada pin-24 ( V out) ic jungel
- Siapkan Ohm-meter pada posisi x1
- Probe merah tempelkan ke-ground
- Probe hitam sentuh-sentuhkan ke jalur menuju ke input ic Vertikal-out .
- Jika bagian vertikal-out kerja normal – maka garis yang nampak pada layar akan lari-lari naik-turun
3. Bagian vertikal-out tidak kerja
- Periksa tegangan suply Vcc
- Periksa tegangan pada bagian output pin-2. Jika tidak ada tegangan maka kemungkinan ic vertikal rusak
- Periksa hubungan jalur sinyal output dari pin-2 >>> konektor def yoke >>> elko C311 2200u/35v >>> Resistor nilai kecil R303
4. Tegangan vertikal feed-back tidak ada
- Periksa apakah sudah ada tegangan pada bagian vertikal out pin-2
- Periksa komponen-komponen pada jalur dc feedback
- Problem pada ic jungel yang menyebabkan vertikal satu garis.
- Tidak ada tegangan dc feed-back pada pin-V NFB
- Tidak ada tegangan suply Vcc pada ic jungel
- Kapasitor pada sirkit Ramp-generator short
- Kadang pada sirkit ramp-generator terdapat sebuah resistor (ratusan kilo). Periksa mungkin resistor nilai molor.
- IC jungel rusak
- Problem pada ic memori (pada sirkit yang sudah menggunakan teknologi I2Cbus sda/scl)
5. Vertikal osilator tpada ic jungel tidak kerja, dapat disebabkan karena
- Tidak ada suply tegangan Vcc pada ic jungel (biasanya tegangan diperoleh dari flyback)
- Kapasitor filter pada Ramp-generator short (bocor)
- Kadang ada sebuag resistor yang nilainya ratusan kilo pada ramp-generator. Periksa niali resistor tersebut, mungkin nilainya molor.
- Kerusakan ic memori pada teve yang sudah menggunakan teknologi I2Cbus (sda/scl)
- Ic jungel rusak
6. Vertikal tidak penuh atas-bawah – dapat disebabkan antara lain.
- Periksa dahulu adjustment vertikal size
- Periksa tegangan suply Vcc pada ic jungel (mungkin tegangan drops)
- Resistor kecil R303 – mungkin nilai molor
- Kadang resistor R303 menggunakan dua buah resistor yang dipasang paralel. Mungkin salah satu putus.
- Kapasitor pada sirkit Ramp-generator nilai mengecil
- Elko kopel C311 2200u/35v nilai mengecil (kering)
- IC vertikal-out rusak
7. Vertikal tidak linear atau melipat pada bagian bawah – dapat disebabkan karena :
- Paling sering disebabkan kerusakan part pada jalur feeddback – yang disebabkan karena nilai komponen berubah. Periksa nilai komponen resistor dan elko.
- Dapat pulsa disebabkan ic vertikal rusak.
8. Vertikal tidak linear atau tidak penuh pada bagian atas.
- Umumnya disebabkan karena tegangan suply Vcc pada ic vertikal-out drops. Periksa elko filter pada suply Vcc dengan ESR meter.
- Dapat pula disebabkan kerusakan ic vertikal-out
- Ada gangguan beberapa garis-garis blanking pada bagian atas layar. Umumnya gangguan terjadi karena tegangan pump-up kurang. Disebabkan elko pump-up kering.
- Jika def yoke pernah diiganti dengan impedansi (ohm) yang lebih tinggi – kadang dapat menyebabkan tmbulnya problem ini.
- Adjustment Vertikal-Lin dan Vertikal-center (V Pos) yang tidak tepat kadang juga dapat menimbulkan problem ini
9. Tentang tegangan pump-up
- Tegangan pump-up yang besarbya 2x tegangan suply Vcc dibutuhkan hanya pada saat vertikal retrace.
- Sirkit pump-up membutuhkan eksternal komponen yang terdiri dari sebuah elko dan sebuah diode.
- Kerusakan pada salah satu part tersebut akan menyebabkan tegangan pump-up drops.
- Akibatnya pulsa vertikal blangking akan drops – yang ditunjukkan dengan gejala munculnya beberapa garis-garis blangking pada bagian atas layar.
- Diode pump-up open (putus) akan menyebabkan bagian ic vertikal out tidak kerja (problem satu garis)
- Gambar diatas adalah merupakan bentuk sinyal vertikal out
- Pulsa-pulsa yang mempunyai level tinggi adalah pulsa vertikal retarce – dimana membutuhkan suply tegangan pum-up.
Problem vertikal kurang penuh atau terlalu lebar
Mungkin Anda menjumpai kasus seperti berikut
- Raster vertikal tidak penuh atas-bawah
- Atau terlalu lebar atas-bawah
- Vertikal kurang center
- Remote tidak tersedia
- Atau tidak tahu cara buka service menu
- Sediakan macam-macam resistor dengan nilai 1.0 – 1.2 – 1.5 – 1.8 – 2.0 – 2.2 – 2.7 – 3.0 – 3.3 – 3.9 – 4.7 – 5.0 – 6.8 – 8.2 – 10.0 ohm (ukuran 1watt)
- Masing-masing sediakan 2 atau 3 pcs
Tidak penuh atas bawah
- Coba satu demi satu dengan resistor tersebut diatas dengan cara memasang paralel pada R1, mulai dari nilai yang terbesar (10.0 ohm)
- Jika masih kurang lebar selanjutnya secara bertahap diganti dengan nilai yang lebih kecil
- Kadang untuk dapat memberikan ukuran vertikal yang pas – kami paralel 3 buah resistor atau seri paralel.
- Coba R1 diganti dengan nilai yang lebih besar setingkat diatas nilai aslinya (misal aslinya 1.5 - maka coba ganti dengan nilai 1.8)
- Kalau masih terlalu lebar maka coba ganti dengan nilai diatasnya lagi.
- Kalau hasilnya ternyata malah kurang penuh – maka dapat dilakukan dengan cara memasang paralel resistor lainnya seperti pada problem vertikal kurang penuh.
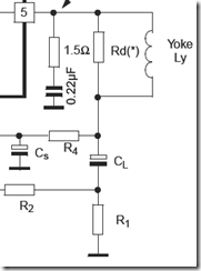
- Sediakan macam-macam resistor dengan nilai 10 – 12 – 15 – 20 – 22 – 27 – 30 – 33 – 39 ohm (1 atau 2watt) – masing-masing cukup 1 pc saja.
- Coba pasang sebuah resistor antara titik (sambungan R4-CL) dengan ground
- Atau coba antara titik (sambungan R4-CL) dengan Vcc 12v (boleh juga dengan 25v)
- Untuk mendapatkan niali yang pas mungkin bisa disedri 2 buah resistor
- Kalau resistor terlalu panas – ganti dengan watt yang lebih besar.
CATATAN :
- Cara ini hanya bisa dilakukan jika tidak terjadi cacat V Lin.
Raster terlalu terang penyebab vertikal satu garis (Panasonic AN5606)
MOBYDICK memberikan tanggapan mengenai postingan kami tentang “Problem kontras kontrol pada TA8690 dapat menyebabkan vertikal satu garis”
“Salam ziarah mas, Gimana kalau tv Panasonic yang memakai ic AN5606K, rusaknya kadang2 jadi vertikal kadang2 ok,apa ada kena-mengena dengan kontras? “
Waktu itu kami beri jawaban bahwa AN5606 kontrol kontras sudah tidak menggunakan sistim analog lagi seperti seperti TA8690, tetapi sudah menggunakan kontrol lewat data SDA/SCL – jadi kasusnya tentu berbeda
Baru-baru ini - Ketika sedang membuka-buka catatan, dimana catatan selalu kami buat jika menjumpai kerusakan-kerusakan yang menurut kami kelihatan sediki ganjil. Maka disitu ternyata ada catatan yang ada hubungannya seperti yang ditanyakan MOBYDICK.
Jika raster terlalu terang pada Panasonic yang menggunakan AN5606 - ternyata dari pengalaman yang pernah kami jumpai dapat menyebabkan “vertikal problem satu garis” dan kadang dilanjutkan dengan mati protek. Tercacat penyebabnya adalah resistor ABL R525 ke B+ bermasalah.
Problem kontrol-kontras pada TA8690 dapat menyebabkan probem vertikal
Masih sering terima repair teve yang menggunakan TA8690? Mungkin pengalaman kami ini ada manfaatnya.
Suatu ketika setelah selesai merepair teve model lama yang menggunakan ic TA8690, maka iseng-iseng kami mainkan ajustment pada kontrol britnes, color dan kontras. Seting-an lama kontrol kontras kami lihat pada maksimum 100. Ketika seting-an coba kami turunkan - tiba-tiba mendadak raster jadi satu garis horisontal (problem vertikal)
Cilaka!!! .....ada masalah apa lagi teve ini ? Apa mungkin kebetulan tiba-tiba TA8690 mendadak rusak bagian vertikalnya.
- OKlah – kami bongkar lagi itu teve
- Cek bagian vertikal-out tidak ada masalah.
- Apa benar TA8690 mendadak rusak?
- Kami masih meragukan akan hal ini.
- Kembali mengingat hal terachir yang kami lakukan – yaitu adjustment pada kontrol-kontras – kami berpikir apakah masalah ini ada hubungannya?
Dan hasilnya adalah cukup mengejutkan.
- MENDADAK RASTER MEMBUKA KEMBALI
- Kami coba lepas resistor 10k – raster kembali menjadi satu garis
Kesimpulan :
Pada TA8690 jika tegangan pada pin-39 kontras-kontrol drops pada level tertentu atau tidak ada sama sekali – maka dapat menyebabkan bagian vertikal tidak fungsi. Pengalaman kami ini sudah pernah kami uji coba pada teve lain yang masih bagus – yaitu dengan men-short ke ground pin kontras kontrol – ternyata hasilnya sama, yaitu vertikal jadi satu garis
Kerusakan defleksi vertikal
Revisi 00 – Juli 2010
Dokumen ini kami susun dari berbagai sumber dan dari hasil pengalaman kerja pribadi sebagai bengkel service, trainer kursus service radio-tv dan pengalaman bekerja pada sebuah perusahaan elektronik yang pernah mempunyai kerja sama dengan perusahaan Jepang, Korea dan China sebagai manager service station, sebagai manager teknik departemen customer service pusat dalam mengelola dan menyediakan (sumber daya manusia) teknisi. Didedikasikan untuk para teknisi televisi maupun mereka yang lagi belajar. Tujuannya adalah agar dapat berbagi pengetahuan dan pengalaman dalam teknik reparasi TV.
Daftar isi :
Memahami cara kerja bagian defleksi vertikal
- 1.01 Fungsi bagian defleksi vertikal
- 1.02 Vertikal Countdown
- 1.03 Ramp-generator
- 1.04 Penguat Vertikal Drive
- 1.05 Penguat Vertikal- Out
- 1.06 Pump Up (flyback generator)
- 1.07 Umpan balik (feedback)
- 1.08 Kumparan defleksi vertikal
- 1.09 Macam-macam konfigurasi IC vertikal out.
Melacak kerusakan bagian defleksi vertikal
- 2.01 Raster hanya satu garis horisontal
- 2.02 Memeriksa apakah bagian IC Vertikal-out apakah sudah bekerja.
- 2.03 Kerusakan yang dapat menyebabkan IC vertikal-out tidak bekerja
- 2.04 Memeriksa umpan balik dc
- 2.05 Kerusakan pada IC jungel yang dapat meyebabkan vertikal tidak kerja.
- 2.06 Raster tidak penuh atas bawah
- 2.07 Pada bagian atas layar muncul gangguan beberapa garis blangking putih.
- 2.08 Gambar vertikal tidak linear atau melipat.
- 2.09 Gambar bergetar secara vertikal naik-turun.
- 2.10 Gambar rolling
- 2.11 Cara memeriksa kerusakan def yoke bagian vertikal.
- 2.12 Ada garis putih horisontal dibagian tengah layar (raster hidup penuh)
- 2.13 Macam-maca adjustmen vertikal
1 Memahami cara kerja bagian Defleksi Vertikal
1.01 Bagian defleksi vertikal berfungsi untuk menyediakan arus gigi gergaji ke kumparan defleksi vertikal agar garis-garis horisontal yang dihasilkan oleh defleksi horisontal melakukan penyapuan mulai dari bagian atas layar dan bergerak kearah bagian bawah layar. Penyapuan secara vertikal sistim PAL mempunyai frekwensi 50 Hz dan sistim NTSC 60 Hz. Sirkit defleksi vertikal ada beberapa variasai, ini berbeda dengan sirkit defleksi horisontal yang pada semua televisi hampir sama.
Secara garis besar bagian defleksi vertikal terdiri dari :
- Vertikal osilator (vertikal countdown)
- Ramp generator
- Penguat vertikal drive
- Penguat vertikal-out
- Pum-up (flyback generator)
- Sirkit umpan balik
- Kumparan defleksi vertikal
1.02 Vertikal Countdown sebagai osilator vertikal. Vertikal count-down mendapat input dari frekwensi horisontal count-down dan membaginya sehingga diperoleh frekwensi vertikal.
Pada bagian ini terdapat sirkit yang dinamakan "vertikal window-counter" yang berfungsi untuk mengatur secara otomatis besarnya frekwensi vertikal. Tanpa ada sinyal video input, osilator vertikal berosilasi pada frekwensi bebas sekitar 45 hingga 55Hz. Jika kemudian pesawat menerima sinyal video sistim PAL, vertikal window-counter akan mengunci osilator vertikal pada frekwensi 50Hz. Dan jika menerima sinyal video sistim NTSC akan otomatis mengunci frekwensi vertikal menjadi 60Hz
Jika karena sesuatu kerusakan sehingga frekwensi tidak dapat terkunci, maka akan meyebabkan :
- Gambar rolling keatas jika frekwensi lebih rendah
- Gambar rolling kebawah jika frekwensi lebih tinggi.
1.03 Ramp-generator – Pulsa vertikal dari osilator masih berbentuk kotak, ramp-generator berfungsi untuk mengubah bentuk sinyal kotak menjadi bentuk gigi gergaji. Bentuk sinyal gigi gergaji ditentukan oleh nilai filter resistor-kapasitor yang terdapat pada bagian ini.
Sirkit vertikal count-down dan sirkit ramp-generator umumnya ada didalam IC jungel. Tetapi ada sirkit tertentu dimana ramp generator ada didalam IC vertikal-out, misal pesawat yang menggunakan TA8690 dan TA8445.
1.04 Penguat Vertikal Drive - berfungsi untuk memperkuat sinyal vertikal sebelum diumpankan ke bagian penguat vertikal-output. sikit umumnya menadi satu dengan penguat power vertikal out.
1.05 Penguat power Vertikal- Out - Sinyal vertikal gigi gergaji diperkuat oleh bagian ini agar mampu menyediakan power arus gigi gergaji ke kumparan defleksi vertikal. Prinsisp kerja penguat vertikal-out tidak berbeda jauh dengan penguat power-audio
1.06 Pump Up (flyback generator) - Sinar elektron melakukan penyapuan secara vertikal dari bagian atas layar ke bagian bawah. Untuk melakukan penyapuan ulang selanjutnya maka sinar elektron harus kembali dengan cara yang cepat ke bagian atas layer. Untuk melakukan hal ini diperlukan pulsa yang lebih kuat tetapi hanya sesaat saja yang dinamakan pulsa vertikal-retrace, dimana untuk membentuk pulsa ini dibutuhkan tegangan suply yang lebih tinggi pada bagian penguat vertikal-out.
Saat melakukan penyapuan-vertikal dari bagian atas layar ke bagian bawah layar sirkit vertikal-out umumnya membutuhkan tegangan suply sekitar 25v. Dan pada saat vertikal-retrace atau kembali dari bagian bawah ke bagian atas layar dengan cepat membutuhkan tegangan suply yang lebih besar yaitu sekitar 50v. Sirkit vertikal pump-up ada didalam IC vertikal-out dan berfungsi untuk menghasilkan tegangan tinggi sesaat pada saat vertikal-retrace dan membutuhkan komponen eksternal yang terdiri dari sebuah diode dan sebuah elko.
Sirkit vertikal-drive, pump-up dan penguat vertikal-out umumnya menjadi satu kemasan dalam IC vertikal-out.
Ada beberapa jenis IC vertikal-out yang tidak menggunakan sirkit pump-up. Sebagai penggantinya bagian vertikal-out membutuhkan 2 macam suply Vcc, yaitu suply tegangan rendah dan suply tegangan tinggi.
1.07 Umpan balik (feedback) - Pengaruh panas menyebakan karakteristik komponen sedikit berubah. Oleh karena itu untuk memperoleh bentuk gigi gergaji yang linear dan stabil digunakan sirkit umpan-balik dari keluaran vertikal-out ke bagian ramp-generator.
Ada 2 macam jalur sirkit umpan balik, yaitu
- Umpan balik dc – merupakan umpan balik tegangan dc. Jika jalur umpan balik ini putus maka akan menyebabkan defleksi vertikal tidak kerja
- Umpan balik ac – merupakan umpan balik pulsa-pulsa sinyal ac. Jika jalur umpan balik ini putus maka akan menyebabkan raster vertikal tidak linear atau melipat.
1.08 Kumparan defleksi vertikal - Berbeda dengan kumparan defleksi horisontal, kumparan defleksi vertikal digulung pada sebuah intiferit. Terdiri dari 2 buah kumparan yang dipasang pada kiri kanan leher tabung gambar dan umumnya disambung secara parallel.
1.09 Macam-macam konfigurasi IC vertikal out.
- Kopel ac – huhungan dari bagian output ke kumparan def yoke disambung secara langsung.
- Kopel dc – hubungan dari bagian output ke kumparan def yoke melalui sebuah kapasitor elko (biasanya bernilai 1000u/35v). Konfigurasi ini membutuhkan 2 macam tegangan (tegangan miror plus-minus).
- Kopel dc menggunakan input deferensial – menggunakan 2 buah input driver dari IC jungel.
sampel gambar kopel ac

sampel gambar kopel dc
2. Melacak kerusakan bagian defeleksi vertikal
2.01 Raster satu garis
Disebabkan bagian defleksi vertikal tidak kerja.Kerusakan dapat disebabkan karena
- Bagian vertkal tidak mendapat suply tegangan Vcc
- IC Vertikal-Out tidak kerja (baca cara memeriksa bagian veretikal-out)
- Sirkit umpan balik dc putus (baca memeriksa sirkit umpan balik)
- Keruskan pada IC jungel (Vertikal osilator dan ramp generator
- (TV model lama) switch N-S (normal-service) terpasang pada posisi service. Switch ini memang sengaja dipasang untuk membuat vertikal menjadi satu garis horisontal untuk keperluan adjustmen white-balance. Normal harus terpasang pada posisi NORMAL (N)
2.02 Memeriksa apakah bagian IC Vertikal-out apakah sudah bekerja.
IC vertikal out kerjanya dapat diperiksa dengan cara :
- Open pin-input kaki IC vertikal-out
- Sentuh-sentuh kaki pin-input yang telah diopen dengan probe meter dan amati layar tabung gambar.
- Kalau bagian vertikal-out sudah bekerja normal, garis akan nampak lari-lari keatas-bawah ketika input disentuh-sentuh.
- Kalau garis tetap diam saja, atau gerak naik-turun hanya sedikit sekali, hal ini dapat menunjukkan kerusakan pada bagian vertikal-out
2.03 Kerusakan yang dapat menyebabkan IC vertikal-out tidak bekerja :
- Tidak ada tegangan supply Vcc
- Konektor ke kumparan def yoke open atau putus
- Def yoke rusak
- IC vertikal rusak. IC vertikal rusak biasanya ditandai dengan tidak adanya tegangan pada pin-output IC Vertikal-out (kira-kira sebesar ½ Vcc pada konfigurasi kopel dc)
- Elko 1000uF/35v rusak atau open
- Resistor nilai kecil sekitar 1 ohm pada elko 100ouF/35v open.
2.04 Cara memeriksa umpan balik dc
Jika jalur umpan balik dc putus maka akan menyebabkan ramp generator tidak mendapat tegangan umpan balik dc (tidak ada tegangan pada pin ramp generator)
Umpan balik tegangan dc. dapat dilacak mulai dari pin-output IC vertikal-out >>> kumparan defleksi vertikal >>> melalui beberapa resistor >>> diumpankan balik ke bagian ramp-generator (pin-VNF = vertical negatif feedback)
2.05 Kerusakan pada IC jungel yang dapat meyebabkan vertikal tidak kerja.
- Tidak ada suply pada Vcc pin-defleksi IC jungel
- Tidak ada tegangan umpan balik dc pada pin-VNF
- Kerusakan part pada sirkit Ramp-generator open atau short
- Hubungan antara IC Jungel dengan IC Vertikal-out putus
- IC Jungle rusak (sebelum mengganti IC Jungel maka periksa kemungkinan kerusakan-kerusakan lainnya terlebih dahulu)
- IC memori rusak (data vertikal size hilang)
2.06 Raster tidak penuh atas bawah
Kemungkinan dapat disebabkan antara lain karena :
- Adjustmen V-Size
- Elko kopel yang umumnya mempunyai nilai 1000uF/35v nilai kapasitansi-nya menurun
- Resistor yang nilainya kecil yang menghubungkan kopel 1000uF/35V ke ground nilai molor
- Kapasitor filter pada sirkit ramp generator nilai berubah atau bocor.
- IC Vertikal out rusak.
- Tegangan suply Vcc IC Vertikal Out drops. Biasanya disebabkan elko filter kering.
- Tegangan suply IC Jungel drops.
- IC vertkal -ou rusak
- IC Jungel rusak
- IC memori rusak (data vertikal size rusak)
2.07 Pada bagian atas layar ada gangguan beberapa garis blangking putih
Problem nampak jelas jika terima gambar kontras. Disebabkan pulsa vetikal blangking levelnya kurang.
Problem disebabkan karena salah part pada sirkit Pump Up rusak seperti elko kering atau diode bocor.
Untuk IC vertikal dengan 2 suply tegangan tinggi dan rendah. Cek tegangan untuk tegangan yang tinggi. Mungkin tidak ada tegangan atau tegangan drops karena elko filter kering.
2.08 Gambar vertikal tidak linear atau melipat.
Problem dapat disebabkan antara lain karena ;
- Ajustment V Lin
- Kerusakan part-part pada bagian umpan balik acti elko atau resistor ada yang nilainya berubah. Oleh karena itu perlu diperiksa satu demi satu nilai part-partnya
- IC Vertikal rusak
- Kerusakan def yoke.
- IC Jungel rusak
2.09 Gambar bergetar secara vertikal naik-turun.
- Kalau diamati frekwensi getaran sesuai dengan volume suara yang diterima. Coba cek dengan volume suara minim dan coba dengan cek dengan vol besar. Jika dengan vol besar getaran bertambah parah, berarti problem berhubungan dengan bagian suara.Disebabkan sirkit power suply untuk bagian vertikal IC jungel tegangannya naik-turun terpengaruh oleh tegangan power audio yang naik-turun. Lacak hubungan antara suply bagian vertikal dengan bagian audio-amplifier. Biasanya disebabkan ada diode yang bocor atau elko kering. Lakukan solder ulang
- Getaran tidak ada hubungan dengan volume suara, hal ini diapat disebabkan karena masalah yang kurang baik atau konektor yang kurang baik. Umumnya diketemukan pada televisi model lama.
2.10 Gambar rolling
Kemungkinan dapat disebabkan karena :
- Problem pada IC Jungel.
- Jalur sinyal sinkronisasi-input ada yang putus atau part yang rusak.Cek part-part yang berhubungan dengan bagian sinkronisasi.
- Data korup pada EEPROM.
2.11 Cara memeriksa kerusakan def yoke bagian vertikal.
- Def yoke vertikal umumnya terdiri dari 2 buah kumparan yang disambung parallel.
- Pisahkan salah satu ujung sambungan parallel.
- Ukur masing-masing nilai resistansinya (sebaiknya menggunakan meter digital)
- Jika resistansi tidak sama, berarti yang mempunyai nilai resistansi lebih kecil ada yang short
2.12 Raster hidup normal, dibagian tengah ada garis putih horisontal
Kami pernah menemukan problem semacam ini, dan disebabkan karena tegangan B+ drops yang menyebabkan bentuk arus gigi gergaji tidak linear.
2.13 Macam-macam adjustmen vertikal
- Vertikal Size – untuk koreksi lebar atas bawah
- Vertikal Linear – untuk koreksi jika bagian atas gambar tidak sama dengan bagian bawah
- Vertikal Center (posisition) – untuk oreksi jika gambar kurang tengah (naik-turun)
- Vertikal S. Cor – untuk koreksi jika bagian atas & bagian bawah layar sudah sama tetapi tidak sama dengan bagian tengah layar

No comments:
Post a Comment